苹果发❌布会定档㊙️ 氣體流量監測傳感器-廣州迪川儀器儀表有限公司
産品展示 您(nin)現在的位置(zhi): 首頁 > 産品展(zhǎn)示 > MF系列氣體(tǐ)流量計 > FS4001氣體(tǐ)流量傳感器(qì) >氣體流量監(jian)測傳感器

氣(qì)體流量監測(cè)傳感器

産品(pǐn)時間:2025-12-07

簡要描(miáo)述:

FS4001系列氣體(ti)流量監測傳(chuan)感器适用于(yu)各類清潔氣(qì)體👣。*的封🌈裝技(ji)術使之可用(yòng)于各類管徑(jing),成本低、易安(ān)裝、不需要溫(wen)度壓力補😍償(cháng),可替代容積(ji)式或壓差式(shi)的傳統流量(liàng)傳感器。

産品簡介:

FS4001系(xì)列 氣體流量(liang)監測傳感器(qi) 是專門(mén)爲各類小流(liu)量氣體的測(ce)量和過程控(kòng)制而設計♌的(de)。這一系列傳(chuan)感器均采用(yong)本公司自主(zhǔ)研發的微機(jī)電系統♊( MEMS )流量傳感芯(xin)片來制作。

FS4001系(xì)列 氣體流量(liàng)監測傳感器(qì) 适用于(yu)各類清潔氣(qi)體。*的封裝技(jì)術使之可用(yòng)于各類管💰徑(jìng),成本低、易安(an)裝、不需要溫(wen)度壓力補償(cháng),可替代容積(ji)式或壓差式(shi)的傳統流量(liàng)傳感器。

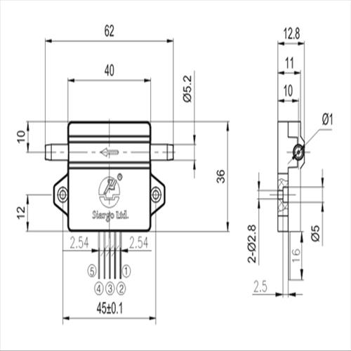
機(ji)械尺寸:


主要參(can)數:

單位

通 徑

1.0

1.8

mm

大(da)流量

30, 100, 200

500, 1000

SLPM

量程比(bǐ)

>100:1

 

精 度

±(1.5+0.2FS)

%

重複性(xing)

0.25

%讀數

零點輸(shū)出飄移

±30

mV

輸出(chū)飄移

±0.12

%/oC

響應時(shi)間

4, 8, 16, 33 , 65 , 131

mses

工作電源(yuán)

8~18Vdc,50mA

 

輸出方式

 

大流量壓損(sun)

350

300

pa

大工作壓力(lì)

0.5

MPa

工作溫度

-10 ~ +55

oC

-20 ~ +65

oC

工作(zuo)濕度

<95%RH(無結冰(bīng)、無凝露)

 

機械(xie)接口

可拆式(shi)軟管接頭

 

校(xiao)準方式

空氣(qì)(或其他氣體(ti)),20oC,101.325kPa

 

重量

15

聯系方(fāng)式
在線客服
总 公 司急 速 版WAP 站H5 版无线端AI 智能3G 站4G 站5G 站6G 站
·
·